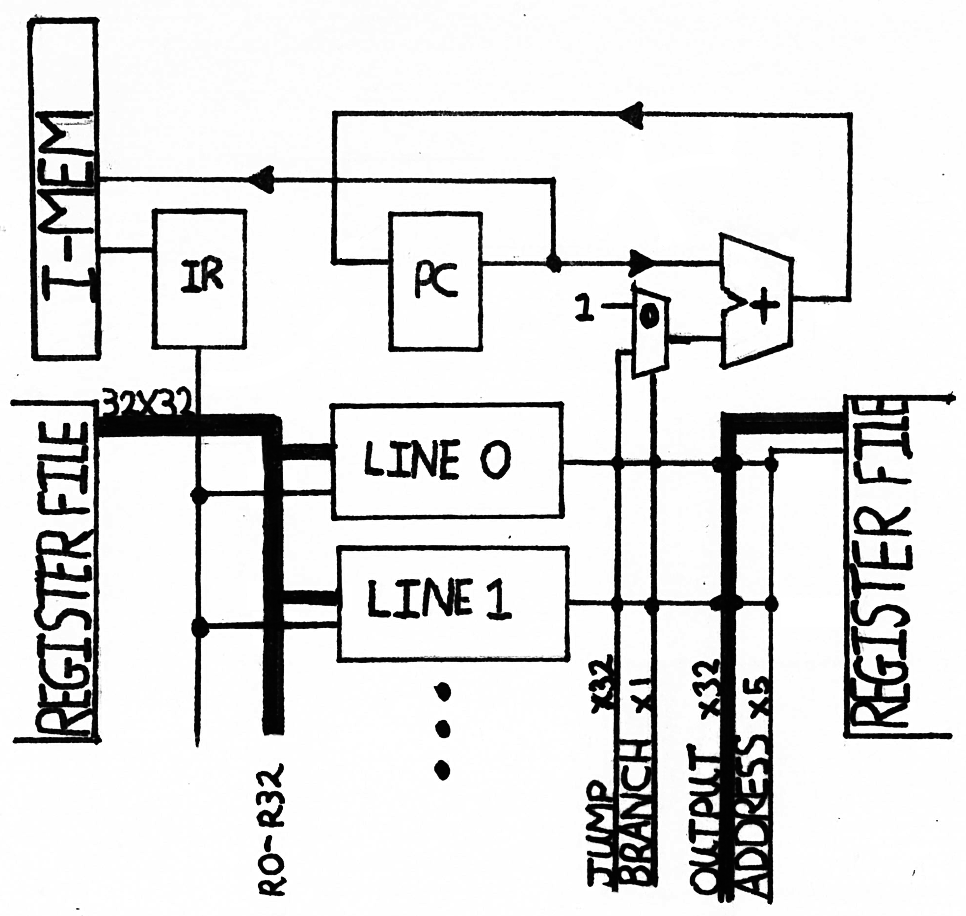
A Resistor Transfer Level (RTL) Simulator An RTL simulator is a tool to design and test digital systems. Resistor-Transfer means describing an electronic circuit with logic. Think AND, OR, and NOT gates.Explore how simple instructions are strung together to model a complex digital system.
Decibell: A homegrown game engine I've been working this project for quite some time. It's by far my most abitious one. We explore live-profiling, meta-programming, rendering, and the architecture of this game engine.
Green side Up! Planting trees in the Canadian backcountry. Coming Soon
Whales and Frozen Lakes: Making snow in the Rockie Mountains Coming Soon